Все марки

Пульты термостаты для фанкойлов

KET WSK 9H Пульт управления (термостат)

По данным пультам управления фанкойлами мы принимаем заказы
на изготовление и поставку любого их количества. Обращайтесь.

8 175 руб.
шт.
Код товара: z8491-3125
Доставка по Москве за 990 руб.

Характеристики KET WSK 9H

Производитель KET
Исполнение Настенный
Способ монтажа Встраиваемый
Подсветка экрана, цвет Белый
Диапазон регулирования воздуха, °С +10...+40
Управление 2-х трубным фанкойлом Да
Управление 4-х трубным фанкойлом Да
Размеры (ШхВхГ), мм 86x86x14
Размеры (ДхШхВ) упаковки, см 10х10х6
Пульт управления (термостат) KET WSK 9H

Быстрый заказ товара: Заказать в 1 клик

Чтобы скачать счет, оформите заказ.

Описание KET WSK 9H

Отличное качество сборки термостата WSK 9H, идеально подходит для замены любого пульта для фанкойла.

Встроенный термостат позволяет управлять фанкойлом в автоматическом режиме по заданной температуре.

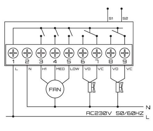
Перед выполнением любых операций по монтажу или техническому обслуживанию отключите электропитание!

Для подключения двухтрубного фанкойла необходим кабель 6 жил и сечением от 0,5 (в зависимости от мощности фанкойла)

abc

Особенности KET WSK 9H

  • Безотказная работа
  • Хорошее качество пластика
  • Выгодная цена
  • Нет переплаты за брэнд
  • Возможно управление двумя или несколькими фанкойлами с одного пульта

Сопутствующие товары:
аналоги, аксессуары, дополнительное оборудование

11 100 руб.
шт.
9 150 руб.
шт.
11 600 руб.
шт.
7 549 руб.
шт.
8 883 руб.
шт.
12 600 руб.
шт.
3 205 руб.
шт.
2 804 руб.
шт.

Страница товара создана 26.09.2018